ЭЛЕКТРОПРИВОД НВ 17

- Гарантийный срок: 1 год
- Легкий и беспроблемный возврат НДС
- Перетачиваем изделия и фланцы под нужное исполнение
- Проконсультируем и рассчитаем изготовление по вашим чертежам или ТЗ
- Подскажем оптимальное исполнение под среду, температуру и давление
- Если нужно изготовим прототип и проведем испытания
- Предоставим документы под отгрузку и приемку по вашим требованиям
Стоимость товаров может отличаться от указанной. Уточнить точную цену вы всегда можете, обратившись к нашему специалисту.
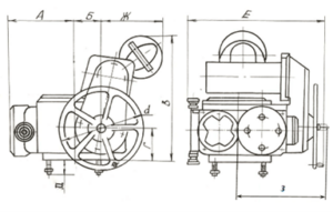
Электропривод НВ устанавливается на участке трубопровода и подходит для чугунных и стальных задвижек. Такой электропривод адаптирован для работы в комплексе с автоматизированными системами и микропроцессорами. В зависимости от эксплуатационных требований может комплектоваться электрическим двигателем 50 или 60 Гц (напряжение – 220 – 660Вт). Подсоединение агрегата к сети производится, как правило, фланцами.
Характеристики
| Условное обозначение электропривода | H-B-14...H-B-25 |
| Исполнение по взрывозащите и вводу контрольного кабеля | Общего назначения с сальниковым / штепсельным вводом |
| Крутящий момент на выходном валу, Н•м | от 630 до 1000 |
| Частота вращения выходного вала (пред. откл. ±25%) об./мин | 24; 48 |
| Число оборотов вых. вала, необх. для закрывания (открывания) арматуры, об. мин.-макс. | от 1 до 6; от 6 до 36; от 36 до 200 |
| Мощность э/двигателя, кВт | 3.2; 4.25 |
| Усилие на ободе маховика, Н, не более | 735 |
| Масса с двигателем, кг, не более | 94; 102 |
СЕРТИФИКАТЫ НА ПРОДУКЦИЮ
СМОТРЕТЬ ВСЕ СЕРТИФИКАТЫПРОИЗВОДСТВО И СКЛАД В НОВОЧЕБОКСАРСКЕ

г. Новочебоксарск, ул.Промышленная 65
Наши клиенты ключевые компании России
Сотрудничаем с Роснефть, Сибур, Газпром, Башнефть и многими другими
Изготовление под заказ
Изготовление продукции по специальным требованиям заказчика
Контроль качества продукции
Осуществляем входной контроль поступающих материалов и контролируем качество на каждом этапе производства
Проводим испытания для подтверждения качества продукции
Испытания на механические свойства и химический состав
Доставим в любой регион России, а также в Казахстан, Узбекистан и Беларусь
Аккуратно упакуем изделия, чтобы они дошли до вас без повреждения
Отправляем фото и видео продукции перед отгрузкой
от 1 раб. день - сроки поставки продукции со склада
от 10 раб. дней - сроки изготовления трубопроводной арматуры на заказ

ИСПОЛЬЗУЕМ ВСЕ СПОСОБЫ ДОСТАВКИ
СОТРУДНИЧАЕМ С ТРАНСПОРТНЫМИ КОМПАНИЯМИ
Бесплатная доставка груза до терминалов

Поставляем продукцию в следующие города: Москву, Санкт-Петербург, Новосибирск, Екатеринбург, Казань, Нижний Новгород, Челябинск, Самару, Омск, Ростов-на-Дону, Уфу, Воронеж, Пермь, Волгоград, Краснодар, Тюмень, Саратов, Тольятти, Ижевск, Барнаул, Ульяновск, Ярославль, Томск, Оренбург, Рязань, Астрахань, Набережные Челны, Пензу, Липецк, Киров, а также другие города России и СНГ.
Самовывоз со склада
Вы можете самостоятельно забрать продукцию с нашего склада
КОНТАКТЫ
Запросить коммерческое предложение
Расчет КП займет не более 1-го рабочего дня









