КЛАПАНЫ 16С10НЖ

- Гарантийный срок: 1 год
- Легкий и беспроблемный возврат НДС
- Перетачиваем изделия и фланцы под нужное исполнение
- Проконсультируем и рассчитаем изготовление по вашим чертежам или ТЗ
- Подскажем оптимальное исполнение под среду, температуру и давление
- Если нужно изготовим прототип и проведем испытания
- Предоставим документы под отгрузку и приемку по вашим требованиям
Стоимость товаров может отличаться от указанной. Уточнить точную цену вы всегда можете, обратившись к нашему специалисту.
Клапан обратный 16с10нж из нержавеющей стали предназначен для установки на трубопроводах. Изготавливается в соответствии с ТУ 28.14.13-001-09610444-2023. При необходимости мы можем изготовить нестандартную трубопроводную арматуру по предоставленным чертежам или образцам заказчика.
| Рабочая среда | Вода, пар, нефтепродукты, неагрессивные среды |
| Температура рабочей среды | От -40 до +425°С |
| Давление номинальное PN | 1,6 МПа (16 кгс/см²) |
| Присоединение | Фланцевое по ГОСТ 12815-80 |
| Материал корпуса | Сталь 20Л |
| Управление | Автоматическое |
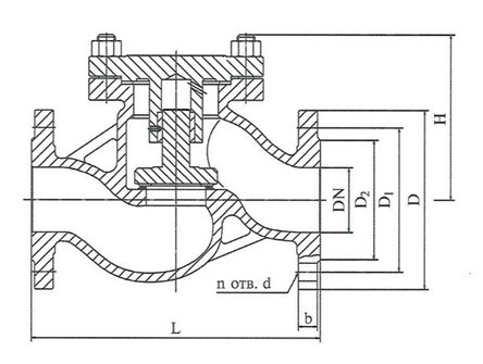
| Диаметр номинальный DN | 15–200 мм |
| DN | L, мм | H, мм | D, мм | Масса, кг |
| 15 | 130 | — | 95 | 3 |
| 20 | 150 | — | 105 | 3,3 |
| 25 | 160 | 80 | 115 | 7 |
| 32 | 180 | 80 | 135 | 8 |
| 40 | 200 | 90 | 145 | 11 |
| 50 | 230 | 110 | 160 | 13 |
| 65 | 290 | 130 | 180 | 20 |
| 80 | 310 | 140 | 195 | 28 |
| 100 | 350 | 190 | 215 | 35 |
| 125 | 400 | 200 | 245 | 55 |
| 150 | 480 | 215 | 280 | 78 |
| 200 | 600 | 225 | 335 | 91 |
СЕРТИФИКАТЫ НА ПРОДУКЦИЮ
СМОТРЕТЬ ВСЕ СЕРТИФИКАТЫПРОИЗВОДСТВО И СКЛАД В НОВОЧЕБОКСАРСКЕ

г. Новочебоксарск, ул.Промышленная 65
Наши клиенты ключевые компании России
Сотрудничаем с Роснефть, Сибур, Газпром, Башнефть и многими другими
Изготовление под заказ
Изготовление продукции по специальным требованиям заказчика
Контроль качества продукции
Осуществляем входной контроль поступающих материалов и контролируем качество на каждом этапе производства
Проводим испытания для подтверждения качества продукции
Испытания на механические свойства и химический состав
Доставим в любой регион России, а также в Казахстан, Узбекистан и Беларусь
Аккуратно упакуем изделия, чтобы они дошли до вас без повреждения
Отправляем фото и видео продукции перед отгрузкой
от 1 раб. день - сроки поставки продукции со склада
от 10 раб. дней - сроки изготовления трубопроводной арматуры на заказ

ИСПОЛЬЗУЕМ ВСЕ СПОСОБЫ ДОСТАВКИ
СОТРУДНИЧАЕМ С ТРАНСПОРТНЫМИ КОМПАНИЯМИ
Бесплатная доставка груза до терминалов

Поставляем продукцию в следующие города: Москву, Санкт-Петербург, Новосибирск, Екатеринбург, Казань, Нижний Новгород, Челябинск, Самару, Омск, Ростов-на-Дону, Уфу, Воронеж, Пермь, Волгоград, Краснодар, Тюмень, Саратов, Тольятти, Ижевск, Барнаул, Ульяновск, Ярославль, Томск, Оренбург, Рязань, Астрахань, Набережные Челны, Пензу, Липецк, Киров, а также другие города России и СНГ.
Самовывоз со склада
Вы можете самостоятельно забрать продукцию с нашего склада
КОНТАКТЫ
Запросить коммерческое предложение
Расчет КП займет не более 1-го рабочего дня










