КЛАПАНЫ 19С38НЖ

- Гарантийный срок: 1 год
- Легкий и беспроблемный возврат НДС
- Перетачиваем изделия и фланцы под нужное исполнение
- Проконсультируем и рассчитаем изготовление по вашим чертежам или ТЗ
- Подскажем оптимальное исполнение под среду, температуру и давление
- Если нужно изготовим прототип и проведем испытания
- Предоставим документы под отгрузку и приемку по вашим требованиям
Стоимость товаров может отличаться от указанной. Уточнить точную цену вы всегда можете, обратившись к нашему специалисту.
Описание
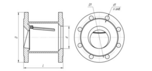
Клапан обратный поворотный 19с38нж из нержавеющей стали предназначен для установки на трубопроводах. Изготавливается в соответствии с ТУ 28.14.13-001-09610444-2023. При необходимости мы можем изготовить нестандартную трубопроводную арматуру по предоставленным чертежам или образцам заказчика.
Технические характеристики
| Диаметр номинальный DN | 50-300 мм |
| Давление номинальное PN | 4,0 МПа (40 кгс/см²) |
| Материал корпуса | 20-20Л-25Л |
| Материал упорное кольцо | 20-20Л-25Л |
| Материал захлопка | 20-20Л-25Л |
| Материал ухо | 40Х |
| Материал ось | 40Х |
| Материал гайка | 40Х |
| Материал шпилька | 40Х |
| Материал уплотнение | Э-07Х20Н9-ОЗЛ-8 |
| Материал фланец | 20-20Л-25Л |
| Рабочая среда | Вода, пар, нефть и нефтепродукты, масла, газ, углеводородный газ, жидкие и газообразные нефтепродукты |
| Установочное положение на трубопроводе | По направлению движения среды |
| Управление | Автоматическое |
| Температура рабочей среды | От -40 до +425°С |
| Герметичность затвора | Класс А по ГОСТ 9544-2015 |
| Климатическое исполнение | У1 по ГОСТ 15150-69 |
| Срок службы | 20 лет |
Габаритные размеры
| DN, мм | L, мм | Масса, не более , кг |
|---|---|---|
| 200 | 315+/-4 | 51 |
| 300 | 445+-/5 | 107 |
| 400 | 550+/-6 | 219 |
Размеры для DN 250 — по запросу
СЕРТИФИКАТЫ НА ПРОДУКЦИЮ
СМОТРЕТЬ ВСЕ СЕРТИФИКАТЫПРОИЗВОДСТВО И СКЛАД В НОВОЧЕБОКСАРСКЕ

г. Новочебоксарск, ул.Промышленная 65
Наши клиенты ключевые компании России
Сотрудничаем с Роснефть, Сибур, Газпром, Башнефть и многими другими
Изготовление под заказ
Изготовление продукции по специальным требованиям заказчика
Контроль качества продукции
Осуществляем входной контроль поступающих материалов и контролируем качество на каждом этапе производства
Проводим испытания для подтверждения качества продукции
Испытания на механические свойства и химический состав
Доставим в любой регион России, а также в Казахстан, Узбекистан и Беларусь
Аккуратно упакуем изделия, чтобы они дошли до вас без повреждения
Отправляем фото и видео продукции перед отгрузкой
от 1 раб. день - сроки поставки продукции со склада
от 10 раб. дней - сроки изготовления трубопроводной арматуры на заказ

ИСПОЛЬЗУЕМ ВСЕ СПОСОБЫ ДОСТАВКИ
СОТРУДНИЧАЕМ С ТРАНСПОРТНЫМИ КОМПАНИЯМИ
Бесплатная доставка груза до терминалов

Поставляем продукцию в следующие города: Москву, Санкт-Петербург, Новосибирск, Екатеринбург, Казань, Нижний Новгород, Челябинск, Самару, Омск, Ростов-на-Дону, Уфу, Воронеж, Пермь, Волгоград, Краснодар, Тюмень, Саратов, Тольятти, Ижевск, Барнаул, Ульяновск, Ярославль, Томск, Оренбург, Рязань, Астрахань, Набережные Челны, Пензу, Липецк, Киров, а также другие города России и СНГ.
Самовывоз со склада
Вы можете самостоятельно забрать продукцию с нашего склада
КОНТАКТЫ
Запросить коммерческое предложение
Расчет КП займет не более 1-го рабочего дня









