ЗАДВИЖКИ 30ЛС976НЖ

- Гарантийный срок: 1 год
- Легкий и беспроблемный возврат НДС
- Перетачиваем изделия и фланцы под нужное исполнение
- Проконсультируем и рассчитаем изготовление по вашим чертежам или ТЗ
- Подскажем оптимальное исполнение под среду, температуру и давление
- Если нужно изготовим прототип и проведем испытания
- Предоставим документы под отгрузку и приемку по вашим требованиям
Стоимость товаров может отличаться от указанной. Уточнить точную цену вы всегда можете, обратившись к нашему специалисту.
Описание
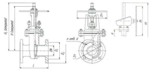
Задвижка клиновая 30лс976нж легированная стальная с фланцевым присоединением предназначена для установки на трубопроводах в качестве запорного устройства. Оснащена ручным управлением (маховик). При необходимости мы можем изготовить нестандартную трубопроводную арматуру по предоставленным чертежам или образцам заказчика.
Технические характеристики
| Диаметр номинальный DN | 50-1200 мм |
| Давление номинальное PN | 6,3 МПа (63 кгс/см²) |
| Материал корпуса, крышки | 20, 20Л, 25Л, 20ГЛ, 09Г2С, 12Х18Н9ТЛ, 12Х18Н10Т, 12Х18Н10МЗТЛ, AISI 304/304L, AISI316/316L |
| Материал клина | 20, 20Л, 25Л, 20ГЛ, 09Г2С, 12Х18Н9ТЛ, 12Х18Н10Т, 12Х18Н10МЗТЛ, AISI 304/304L, AISI316/316L |
| Материал шпинделя | 20Х13, 35Х13, 40Х13, 12Х18Н10Т, 45Х14Н14В2М, 12Х18Н10МЗТЛ, AISI 304/304L, AISI316/316L |
| Уплотнение сальника | ТРГ |
| Наплавка уплотнения | 20Х13 ЦН-12М |
| Герметичность затвора | Класс А по ГОСТ 9544-2015 |
| Температура рабочей среды | От -40 до +425°С |
| Рабочая среда | Вода, пар, газ, нефть, нефтепродукты |
| Тип присоединения | Фланцевое |
| Климатическое исполнение | У1 по ГОСТ 15150-69 |
| Срок службы | 25 лет |
Габаритные размеры
| Dn | D2 | D3 | D4 | L | H | H1 | Н3 | n | Вес,кг |
|---|---|---|---|---|---|---|---|---|---|
| 50 | 175 | 135 | 240 | — | 250 | 440 | 371 | 408 | 790 |
| 80 | 210 | 170 | 250 | — | 310 | 530 | 455 | 515 | 890 |
| 100 | 250 | 200 | 280 | — | 350 | 515 | 551 | 615 | 1020 |
| 150 | 340 | 280 | 440 | — | 450 | 710 | 718 | 824 | 1290 |
| 200 | 405 | 345 | 400 | — | 550 | 980 | 873 | 1018 | 1475 |
| 250 | 470 | 400 | 450 | 630 | 650 | 1130 | 1050 | 1219 | 1325 |
| 300 | 530 | 460 | 560 | — | 750 | 1142 | 1215 | 1442 | 1820 |
| 350 | 595 | 525 | 600 | — | 850 | 1280 | 1340 | 1610 | 2216 |
| 400 | 670 | 585 | — | 660 | 950 | — | 1415 | — | 2538 |
СЕРТИФИКАТЫ НА ПРОДУКЦИЮ
СМОТРЕТЬ ВСЕ СЕРТИФИКАТЫПРОИЗВОДСТВО И СКЛАД В НОВОЧЕБОКСАРСКЕ

г. Новочебоксарск, ул.Промышленная 65
Наши клиенты ключевые компании России
Сотрудничаем с Роснефть, Сибур, Газпром, Башнефть и многими другими
Изготовление под заказ
Изготовление продукции по специальным требованиям заказчика
Контроль качества продукции
Осуществляем входной контроль поступающих материалов и контролируем качество на каждом этапе производства
Проводим испытания для подтверждения качества продукции
Испытания на механические свойства и химический состав
Доставим в любой регион России, а также в Казахстан, Узбекистан и Беларусь
Аккуратно упакуем изделия, чтобы они дошли до вас без повреждения
Отправляем фото и видео продукции перед отгрузкой
от 1 раб. день - сроки поставки продукции со склада
от 10 раб. дней - сроки изготовления трубопроводной арматуры на заказ

ИСПОЛЬЗУЕМ ВСЕ СПОСОБЫ ДОСТАВКИ
СОТРУДНИЧАЕМ С ТРАНСПОРТНЫМИ КОМПАНИЯМИ
Бесплатная доставка груза до терминалов

Поставляем продукцию в следующие города: Москву, Санкт-Петербург, Новосибирск, Екатеринбург, Казань, Нижний Новгород, Челябинск, Самару, Омск, Ростов-на-Дону, Уфу, Воронеж, Пермь, Волгоград, Краснодар, Тюмень, Саратов, Тольятти, Ижевск, Барнаул, Ульяновск, Ярославль, Томск, Оренбург, Рязань, Астрахань, Набережные Челны, Пензу, Липецк, Киров, а также другие города России и СНГ.
Самовывоз со склада
Вы можете самостоятельно забрать продукцию с нашего склада
КОНТАКТЫ
Запросить коммерческое предложение
Расчет КП займет не более 1-го рабочего дня









