ЗАДВИЖКИ 30НЖ527НЖ

- Гарантийный срок: 1 год
- Легкий и беспроблемный возврат НДС
- Перетачиваем изделия и фланцы под нужное исполнение
- Проконсультируем и рассчитаем изготовление по вашим чертежам или ТЗ
- Подскажем оптимальное исполнение под среду, температуру и давление
- Если нужно изготовим прототип и проведем испытания
- Предоставим документы под отгрузку и приемку по вашим требованиям
Стоимость товаров может отличаться от указанной. Уточнить точную цену вы всегда можете, обратившись к нашему специалисту.
Описание
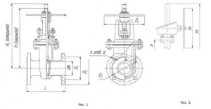
Задвижка клиновая 30нж527нж из нержавеющей стали с фланцевым присоединением предназначена для установки на трубопроводах в качестве запорного устройства. Оснащена ручным управлением (маховик). При необходимости мы можем изготовить нестандартную трубопроводную арматуру по предоставленным чертежам или образцам заказчика.
Технические характеристики
| Диаметр номинальный DN | 300-1000 мм |
| Давление номинальное PN | 2,5 МПа (25 кгс/см²) |
| Тип устройства | Редукторная задвижка |
| Тип исполнения корпуса | Проходной |
| Назначение | Запорное устройство |
| Тип монтажа к трубопроводу | Фланцевое (исполнение ГОСТ 33259) или под приварку |
| Рабочая среда | Жидкость/пар/масло/нефть с неагрессивным взаимодействием с |
| Класс герметичности | А, АА, В - для нефти и нефтепродуктов, С- при использовании в воды в |
| Номинальное (условное) | 25 (2,5 МПа) |
| Проход условный (ДУ) | От 400 до 800 мм |
| Направление подачи среды | С любой стороны |
| показатели циркулирующего | В промежутке от -5 до + 425ºС |
| Тип управления | Редукторное |
| Коэффициент коррозии | Не более 0.1 мм/год |
| Гарантия производителя | Гарантийный срок эксплуатации – 12 месяцев с момента установки (с |
| Температура рабочей среды | От -40 до +425°С |
| Тип присоединения | Фланцевое |
| Климатическое исполнение | У1 по ГОСТ 15150-69 |
| Срок службы | 25 лет |
| Материал корпуса | 12Х18Н10Т, 10Х18Н9ТЛ |
Габаритные размеры
| DN | D | D1 | L | n | d | H | Масса, кг |
| 300 | 485 | 430 | 500 | 16 | 30 | 865 | 300 |
| 350 | 550 | 490 | 550 | 16 | 33 | 1210 | 470 |
| 400 | 610 | 550 | 600 | 16 | 36 | 1320 | 498 |
| 500 | 730 | 660 | 700 | 20 | 36 | 1345 | 878 |
| 600 | 840 | 770 | 800 | 20 | 39 | 1585 | 1338 |
| 700 | 960 | 875 | 900 | 24 | 42 | 1875 | 1900 |
| 800 | 1075 | 990 | 1000 | 24 | 48 | 2420 | 2572 |
| 1000 | 1315 | 1210 | 1200 | 28 | 55 | 2435 | 4300 |
СЕРТИФИКАТЫ НА ПРОДУКЦИЮ
СМОТРЕТЬ ВСЕ СЕРТИФИКАТЫПРОИЗВОДСТВО И СКЛАД В НОВОЧЕБОКСАРСКЕ

г. Новочебоксарск, ул.Промышленная 65
Наши клиенты ключевые компании России
Сотрудничаем с Роснефть, Сибур, Газпром, Башнефть и многими другими
Изготовление под заказ
Изготовление продукции по специальным требованиям заказчика
Контроль качества продукции
Осуществляем входной контроль поступающих материалов и контролируем качество на каждом этапе производства
Проводим испытания для подтверждения качества продукции
Испытания на механические свойства и химический состав
Доставим в любой регион России, а также в Казахстан, Узбекистан и Беларусь
Аккуратно упакуем изделия, чтобы они дошли до вас без повреждения
Отправляем фото и видео продукции перед отгрузкой
от 1 раб. день - сроки поставки продукции со склада
от 10 раб. дней - сроки изготовления трубопроводной арматуры на заказ

ИСПОЛЬЗУЕМ ВСЕ СПОСОБЫ ДОСТАВКИ
СОТРУДНИЧАЕМ С ТРАНСПОРТНЫМИ КОМПАНИЯМИ
Бесплатная доставка груза до терминалов

Поставляем продукцию в следующие города: Москву, Санкт-Петербург, Новосибирск, Екатеринбург, Казань, Нижний Новгород, Челябинск, Самару, Омск, Ростов-на-Дону, Уфу, Воронеж, Пермь, Волгоград, Краснодар, Тюмень, Саратов, Тольятти, Ижевск, Барнаул, Ульяновск, Ярославль, Томск, Оренбург, Рязань, Астрахань, Набережные Челны, Пензу, Липецк, Киров, а также другие города России и СНГ.
Самовывоз со склада
Вы можете самостоятельно забрать продукцию с нашего склада
КОНТАКТЫ
Запросить коммерческое предложение
Расчет КП займет не более 1-го рабочего дня









