ЗАДВИЖКИ 30С76НЖ

- Гарантийный срок: 1 год
- Легкий и беспроблемный возврат НДС
- Перетачиваем изделия и фланцы под нужное исполнение
- Проконсультируем и рассчитаем изготовление по вашим чертежам или ТЗ
- Подскажем оптимальное исполнение под среду, температуру и давление
- Если нужно изготовим прототип и проведем испытания
- Предоставим документы под отгрузку и приемку по вашим требованиям
Стоимость товаров может отличаться от указанной. Уточнить точную цену вы всегда можете, обратившись к нашему специалисту.
Описание
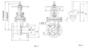
Задвижка клиновая 30с76нж из нержавеющей стали с фланцевым присоединением предназначена для установки на трубопроводах в качестве запорного устройства. Оснащена ручным управлением (маховик). При необходимости мы можем изготовить нестандартную трубопроводную арматуру по предоставленным чертежам или образцам заказчика.
Технические характеристики
| Диаметр номинальный DN | 50-600 мм |
| Давление номинальное PN | 6,3 МПа (63 кгс/см²) |
| Температура рабочей среды | От -40 до +425°С |
| Рабочая среда | Вода, пар, газ, нефть, нефтепродукты |
| Герметичность затвора | Класс А по ГОСТ 9544-2015 |
| Тип конструкции | Литая |
| Тип присоединения | Фланцевое |
| Вид привода | Маховик |
| Материал корпуса | 25Л, 20ГЛ, 09Г2С |
| Материал шпинделя | 20Х13 |
| Уплотнение сальника | ТРГ |
| Срок службы | 25 лет |
Габаритные размеры
| Dn | D2 | D3 | D4 | L | H=Н3 | H1 | n | Вес,кг |
|---|---|---|---|---|---|---|---|---|
| 50 | 175 | 135 | 240 | — | 250 | 440 | 371 | 408 |
| 80 | 210 | 170 | 250 | — | 310 | 530 | 455 | 515 |
| 100 | 250 | 200 | 280 | — | 350 | 535 | 551 | 635 |
| 150 | 340 | 280 | 315 | — | 450 | 790 | 718 | 824 |
| 200 | 415 | 345 | 400 | — | 550 | 980 | 778 | 1018 |
| 250 | 470 | 400 | 450 | — | 650 | 1130 | 1050 | 1219 |
| 300 | 530 | 460 | 560 | — | 750 | 1142 | 1215 | 1442 |
| 350 | 595 | 525 | 600 | — | 850 | 1280 | 1340 | 1610 |
| 400 | 670 | 585 | — | 660 | 950 | — | 1415 | — |
СЕРТИФИКАТЫ НА ПРОДУКЦИЮ
СМОТРЕТЬ ВСЕ СЕРТИФИКАТЫПРОИЗВОДСТВО И СКЛАД В НОВОЧЕБОКСАРСКЕ

г. Новочебоксарск, ул.Промышленная 65
Наши клиенты ключевые компании России
Сотрудничаем с Роснефть, Сибур, Газпром, Башнефть и многими другими
Изготовление под заказ
Изготовление продукции по специальным требованиям заказчика
Контроль качества продукции
Осуществляем входной контроль поступающих материалов и контролируем качество на каждом этапе производства
Проводим испытания для подтверждения качества продукции
Испытания на механические свойства и химический состав
Доставим в любой регион России, а также в Казахстан, Узбекистан и Беларусь
Аккуратно упакуем изделия, чтобы они дошли до вас без повреждения
Отправляем фото и видео продукции перед отгрузкой
от 1 раб. день - сроки поставки продукции со склада
от 10 раб. дней - сроки изготовления трубопроводной арматуры на заказ

ИСПОЛЬЗУЕМ ВСЕ СПОСОБЫ ДОСТАВКИ
СОТРУДНИЧАЕМ С ТРАНСПОРТНЫМИ КОМПАНИЯМИ
Бесплатная доставка груза до терминалов

Поставляем продукцию в следующие города: Москву, Санкт-Петербург, Новосибирск, Екатеринбург, Казань, Нижний Новгород, Челябинск, Самару, Омск, Ростов-на-Дону, Уфу, Воронеж, Пермь, Волгоград, Краснодар, Тюмень, Саратов, Тольятти, Ижевск, Барнаул, Ульяновск, Ярославль, Томск, Оренбург, Рязань, Астрахань, Набережные Челны, Пензу, Липецк, Киров, а также другие города России и СНГ.
Самовывоз со склада
Вы можете самостоятельно забрать продукцию с нашего склада
КОНТАКТЫ
Запросить коммерческое предложение
Расчет КП займет не более 1-го рабочего дня









