ЗАТВОР СТАЛЬНОЙ ФЛАНЦЕВЫЙ ТРЁХЭКСЦЕНТРИКОВЫЙ DN 150 PN 16

- Гарантийный срок: 1 год
- Легкий и беспроблемный возврат НДС
- Перетачиваем изделия и фланцы под нужное исполнение
- Проконсультируем и рассчитаем изготовление по вашим чертежам или ТЗ
- Подскажем оптимальное исполнение под среду, температуру и давление
- Если нужно изготовим прототип и проведем испытания
- Предоставим документы под отгрузку и приемку по вашим требованиям
Стоимость товаров может отличаться от указанной. Уточнить точную цену вы всегда можете, обратившись к нашему специалисту.
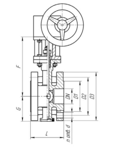
Фланцевый трехэксцентриковый затвор из стали — это тип трубопроводной запорно-регулирующей арматуры, где перекрытие потока осуществляется поворотом диска на 90°. Отличаются от межфланцевых наличием фланцев на корпусе для прямого болтового соединения с трубопроводом, что обеспечивает высокую надежность, герметичность (часто класс А по ГОСТ 9544-2005) и простоту монтажа/демонтажа. Для точного соответствия техническим требованиям вашего предприятия мы изготавливаем затворы на заказ и по чертежам индивидуально.
Характеристики
| Диаметр номинальный DN | 150 мм |
| Давление номинальное PN | 1,6 МПа (16 кгс/см²) |
| Масса, кг | 5,2 |
| Способ управления | Пневмопривод модель 083 DA |
| Наличие пневмораспределителя | нет |
| Выходной крутящий момент | 84 Нм |
| Наличие блока концевых выключателей и ручного дублера | нет |
| Герметичность затвора | Соответствует классу «А» |
| Тип соединения | Присоединение к трубопроводу - фланцевое по ГОСТ 21815-80, исполнение 1. |
| Коэффициент сопротивления | 1,0 |
| Материал вставки | Наплавленная коррозионно-стойкая сталь |
| Рабочее положение задвижек | Любое |
| Рабочее положение затвора | Полностью открыто или полностью закрыто |
| Направление подачи среды | Любое |
| Материал корпуса | Углеродистая сталь |
| Материал диск | Нержавеющая сталь |
| Материал уплотнение | EPDM |
| Материал шток | Нержавеющая сталь |
| Материал шпилька | Нержавеющая сталь |
| Материал втулка | PTFE |
| Температура рабочей среды | От -40 до +150°С |
| Рабочая среда | Вода, пар, газ, нефть |
| Климатическое исполнение | У1 по ГОСТ 15150-69 |
| Срок службы | 15 лет |
Габаритные и присоединительные размеры
| Dn | H | L | Вес, без привода |
|---|---|---|---|
| 65 | 157 | 39 | 1,9 |
| 80 | 164 | 39 | 2 |
| 100 | 181 | 46 | 3 |
Размеры для DN 150 — по запросу
СЕРТИФИКАТЫ НА ПРОДУКЦИЮ
СМОТРЕТЬ ВСЕ СЕРТИФИКАТЫПРОИЗВОДСТВО И СКЛАД В НОВОЧЕБОКСАРСКЕ

г. Новочебоксарск, ул.Промышленная 65
Наши клиенты ключевые компании России
Сотрудничаем с Роснефть, Сибур, Газпром, Башнефть и многими другими
Изготовление под заказ
Изготовление продукции по специальным требованиям заказчика
Контроль качества продукции
Осуществляем входной контроль поступающих материалов и контролируем качество на каждом этапе производства
Проводим испытания для подтверждения качества продукции
Испытания на механические свойства и химический состав
Доставим в любой регион России, а также в Казахстан, Узбекистан и Беларусь
Аккуратно упакуем изделия, чтобы они дошли до вас без повреждения
Отправляем фото и видео продукции перед отгрузкой
от 1 раб. день - сроки поставки продукции со склада
от 10 раб. дней - сроки изготовления трубопроводной арматуры на заказ

ИСПОЛЬЗУЕМ ВСЕ СПОСОБЫ ДОСТАВКИ
СОТРУДНИЧАЕМ С ТРАНСПОРТНЫМИ КОМПАНИЯМИ
Бесплатная доставка груза до терминалов

Поставляем продукцию в следующие города: Москву, Санкт-Петербург, Новосибирск, Екатеринбург, Казань, Нижний Новгород, Челябинск, Самару, Омск, Ростов-на-Дону, Уфу, Воронеж, Пермь, Волгоград, Краснодар, Тюмень, Саратов, Тольятти, Ижевск, Барнаул, Ульяновск, Ярославль, Томск, Оренбург, Рязань, Астрахань, Набережные Челны, Пензу, Липецк, Киров, а также другие города России и СНГ.
Самовывоз со склада
Вы можете самостоятельно забрать продукцию с нашего склада
КОНТАКТЫ
Запросить коммерческое предложение
Расчет КП займет не более 1-го рабочего дня









